Neopěvovaný hrdina skladu: Hluboký ponor do technologie ložisek vysokozdvižný...
NABÍZET
Skladový kód: 920002
| Specifikace šroubu (GB/T5782-2016 GB/T5783-2016) | Průměr montážních otvorů (mm) | Stupeň pevnosti šroubu (GB/T3098.1-2010 | |
| 8.8 | 10.9 | ||
| Mez meze kluzu materiálu šroubuσ sm in (N/mm2) | |||
| 640 | 900 | ||
| Předpínací moment MA(Nm) | |||
| M10 | 11 | 44 | 62 |
| M12 | 13.5 | 77.5 | 110 |
| M14 | 15.5 | 120 | 170 |
| M16 | 18 | 190 | 265 |
| M18 | 20 | 260 | 365 |
| M20 | 22 | 370 | 520 |
| M22 | 24 | 500 | 700 |
| M24 | 26 | 640 | 900 |
| M27 | 30 | 950 | 1350 |
| M30 | 33 | 1300 | 1800 |
| Předpětí FA (10°N) | |||
| M33 | 36 | 293 | 412 |
| M36 | 39 | 344 | 484 |
| M39 | 42 | 414 | 581 |
| M42 | 45 | 473 | 665 |
| M45 | 48 | 553 | 777 |
| M48 | 52 | 623 | 876 |
| M52 | 56 | 749 | 1054 |
| M56 | 62 | 863 | 1214 |
| M60 | 66 | 1008 | 1418 |
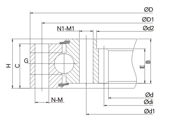
| Ložisko Žádný. | Rozměr (mm) | Hmotnost (kg) | Ref. Žádný | |||||||||||||||
| d | d2 | d1 | D | D1 | C | H | B | E | N-M | N1-M1 | d | m | Z | x | G | |||
| WDA-013-0280-01 | 176 | 200 | 232 | 362 | 328 | 50 | 60 | 50 | 44 | 10-Φ15M14 | 10-Φ15/M14 | 180 | 4 | 45 | 0.5 | 2-M8*1 | 27 | QN□280,16A |
| WDA-013-0315-01 | 190 | 222 | 258 | 408 | 372 | 60 | 70 | 60 | 50 | 20-Φ18/M16 | 20-Φ18/M16 | 200 | 5 | 40 | 0 | 2-M10*1 | 49 | 013.25.315 |
| WDA-013-0315-02 | 212 | 235 | 267 | 397 | 363 | 50 | 60 | 50 | 44 | 12-Φ15M14 | 12-Φ15/M14 | 216 | 4 | 54 | 0.5 | 2-M10*1 | 31 | QN□315,16A |
| WDA-013-0355-01 | 235 | 262 | 298 | 448 | 412 | 60 | 70 | 60 | 50 | 20-Φ18/M16 | 20-Φ18/M16 | 245 | 5 | 49 | 0 | 2-M10*1 | 54 | 013.25.355 |
| WDA-013-0355-02 | 252 | 275 | 307 | 437 | 403 | 50 | 60 | 50 | 44 | 12-Φ15M14 | 12-Φ15/M14 | 256 | 4 | 64 | 0.5 | 2-M10*1 | 34 | QN□355,16A |
| WDA-013-0400-01 | 276 | 307 | 343 | 493 | 457 | 60 | 70 | 60 | 50 | 20-Φ18/M16 | 20-Φ18/M16 | 283 | 6 | 48 | 0 | 2-M10*1 | 62 | 013.25.400 |
| WDA-013-0400-02 | 296 | 320 | 352 | 482 | 448 | 50 | 60 | 50 | 44 | 12-Φ15/M14 | 12-Φ15/M14 | 300 | 4 | 75 | 0.5 | 2-M10*1 | 43 | QN□400,16A |
| WDA-013-0450-01 | 324 | 357 | 393 | 543 | 507 | 60 | 70 | 60 | 50 | 20-Φ18/M16 | 20-Φ18/M16 | 336 | 6 | 56 | 0 | 2-M10*1 | 71 | 013.25.450 |
| WDA-013-0450-02 | 344 | 370 | 402 | 532 | 498 | 50 | 60 | 50 | 44 | 12-Φ15M14 | 12-Φ15/M14 | 348 | 4 | 87 | 0.5 | 2-M10*1 | 51 | QN□450,16A |
| WDA-013-0450-03 | 325 | 354 | 392 | 546 | 508 | 60 | 70 | 60 | 50 | 12-Φ17/M16 | 12-Φ17/M16 | 330 | 5 | 66 | 0.5 | 2-M10*1 | 62 | QN□450,20A |
| WDA-013-0500-01 | 367 | 398 | 434 | 602 | 566 | 70 | 80 | 70 | 60 | 20-Φ18/M16 | 20-Φ18/M16 | 370 | 5 | 74 | 0.5 | 4-M10*1 | 85 | 013,25/30,500 |
| WDA-013-0500-02 | 375 | 404 | 442 | 596 | 558 | 60 | 70 | 60 | 50 | 14-Φ17M16 | 14-Φ17/M16 | 380 | 5 | 76 | 0.5 | 4-M10*1 | 70 | QN□500,20A |
| WDA-013-0558-01 | 440 | 468 | 500 | 650 | 620 | 75 | 85 | 69 | 54 | 30-Φ15 | 24-Φ17 | 450 | 5 | 90 | 0 | 2-M10*1 | 82 | 013.32.0558.A |
| WDA-013-0560-01 | 427 | 458 | 494 | 662 | 626 | 70 | 80 | 70 | 60 | 20-Φ18M16 | 20-Φ18/M16 | 430 | 5 | 86 | 0.5 | 4-M10*1 | 95 | 013,25/30,560 |
| WDA-013-0560-02 | 435 | 468 | 502 | 656 | 618 | 60 | 70 | 60 | 50 | 14-Φ17M16 | 14-Φ17/M16 | 440 | 5 | 88 | 0.5 | 4-M10*1 | 77 | QN□560,20A |
| WDA-013-0560-03 | 427 | 458 | 494 | 662 | 626 | 70 | 80 | 70 | 60 | 20-Φ18 | 20-M16 | 430 | 5 | 86 | 0.5 | 4-M10*1 | 95 | 013.30.0560.A |
| WDA-013-0630-01 | 494.4 | 528 | 564 | 732 | 696 | 70 | 80 | 70 | 60 | 24-Φ18M16 | 24-Φ18/M16 | 498 | 6 | 83 | 0.5 | 4-M10*1 | 110 | 013,25/30,630 |
| WDA-013-0630-02 | 505 | 538 | 572 | 726 | 688 | 60 | 70 | 60 | 50 | 16-Φ17M16 | 16-Φ17/M16 | 510 | 5 | 102 | 0.5 | 4-M10*1 | 86 | QN□630,20A |
| WDA-013-0630-03 | 486 | 522 | 566 | 738 | 694 | 68 | 78 | 68 | 58 | 16-Φ22M20 | 16-Φ22/M20 | 492 | 6 | 82 | 0.5 | 4-M10*1 | 107 | QN□630,25A |
| WDA-013-0630-04 | 494.4 | 528 | 564 | 732 | 696 | 70 | 80 | 70 | 60 | 24-Φ18 | 24-M16 | 498 | 6 | 83 | 0.5 | 4-M10*1 | 100 | 013.30.0630.A |
| WDA-013-0630-03 | 486 | 522 | 566 | 738 | 694 | 68 | 78 | 68 | 58 | 16-Φ22M20 | 16-Φ22/M20 | 492 | 6 | 82 | 0.5 | 4-M10*1 | 107 | QN□630,25A |
| WDA-013-0710-01 | 572.4 | 608 | 644 | 812 | 776 | 70 | 80 | 70 | 60 | 24-Φ18M16 | 24-Φ18/M16 | 576 | 6 | 96 | 0.5 | 4-M10*1 | 120 | 013,25/30,710 |
| WDA-013-0710-02 | 582 | 618 | 652 | 806 | 768 | 60 | 70 | 60 | 50 | 18-Φ17M16 | 18-Φ17/M16 | 588 | 6 | 98 | 0.5 | 4-M10*1 | 97 | QN□710,20A |
| WDA-013-0710-03 | 560 | 602 | 646 | 818 | 774 | 68 | 78 | 68 | 58 | 18-Φ22M20 | 18-Φ22/M20 | 568 | 8 | 71 | 0.5 | 4-M10*1 | 122 | QN□710,25A |
| WDA-013-0800-01 | 635.2 | 678 | 722 | 922 | 878 | 90 | 100 | 90 | 80 | 30-Φ22M20 | 30-Φ22/M20 | 640 | 8 | 80 | 0.5 | 6-M10*1 | 220 | 013,30/40,800 |
| WDA-013-0800-02 | 664 | 708 | 742 | 896 | 858 | 60 | 70 | 60 | 50 | 20-Φ17M16 | 20-Φ17/M16 | 672 | 8 | 84 | 0.5 | 6-M10*1 | 111 | QN□800,20A |
| WDA-013-0800-03 | 648 | 694 | 736 | 908 | 864 | 68 | 78 | 68 | 58 | 18-Φ22M20 | 18-Φ22/M20 | 656 | 8 | 82 | 0.5 | 6-M10*1 | 142 | QN□800,25A |
| WDA-013-0800-04 | 630 | 680 | 726 | 924 | 874 | 80 | 90 | 80 | 70 | 18-Φ24/M22 | 18-Φ24/M22 | 640 | 10 | 64 | 0.5 | 6-M10*1 | 195 | QN□800,32A |
| WDA-013-0900-01 | 739.2 | 778 | 822 | 1022 | 978 | 90 | 100 | 90 | 80 | 30-Φ22M20 | 30-Φ22/M20 | 744 | 8 | 93 | 0.5 | 6-M10*1 | 240 | 013,30/40,900 |
| WDA-013-0900-02 | 740 | 794 | 836 | 1008 | 964 | 68 | 78 | 68 | 58 | 20-Φ22M20 | 20-Φ22/M20 | 750 | 10 | 75 | 0.5 | 6-M10*1 | 162 | QN□900,25A |
| WDA-013-0900-03 | 720 | 780 | 826 | 1024 | 974 | 80 | 90 | 80 | 70 | 20-Φ24/M22 | 20-Φ24/M22 | 730 | 10 | 73 | 0.5 | 6-M10*1 | 227 | QN□900,32A |
| WDA-013-1000-01 | 824 | 878 | 922 | 1122 | 1078 | 90 | 100 | 90 | 80 | 36-Φ22M20 | 36-Φ22/M20 | 830 | 10 | 83 | 0.5 | 6-M10*1 | 270 | 013,30/40,1000 |
| WDA-013-1000-02 | 840 | 894 | 936 | 1108 | 1064 | 68 | 78 | 68 | 58 | 24-Φ22/M20 | 24-Φ22/M20 | 850 | 10 | 85 | 0.5 | 6-M10*1 | 179 | QN□1000,25A |
| WDA-013-1000-03 | 830 | 880 | 926 | 1124 | 1074 | 80 | 90 | 80 | 70 | 24-Φ24/M22 | 24-Φ24/M22 | 840 | 10 | 84 | 0.5 | 6-M10*1 | 240 | QN□1000,32A |
| WDA-013-1120-01 | 944 | 998 | 1042 | 1242 | 1198 | 90 | 100 | 90 | 80 | 36-Φ22/M20 | 36-Φ22/M20 | 950 | 10 | 95 | 0.5 | 6-M10*1 | 300 | 013,30/40,1120 |
| WDA-013-1120-02 | 960 | 1014 | 1056 | 1228 | 1184 | 68 | 78 | 68 | 58 | 28-Φ22M20 | 28-Φ22/M20 | 970 | 10 | 97 | 0.5 | 6-M10*1 | 201 | QN□1120,25A |
| WDA-013-1120-03 | 936 | 1000 | 1046 | 1244 | 1194 | 80 | 90 | 80 | 70 | 28-Φ24/M22 | 28-Φ24/M22 | 948 | 12 | 79 | 0.5 | 6-M10*1 | 262 | QN□1120,32A |
| WDA-013-1250-01 | 1048.8 | 1110 | 1163 | 1390 | 1337 | 100 | 110 | 100 | 90 | 40-Φ26/M24 | 40-Φ26/M24 | 1056 | 12 | 88 | 0.5 | 5-M10*1 | 420 | 013,35/45,1250 |
| WDA-013-1250-02 | 1068 | 1130 | 1176 | 1374 | 1324 | 80 | 90 | 80 | 70 | 32-Φ24/M22 | 32-Φ24/M22 | 1080 | 12 | 90 | 0.5 | 5-M10*1 | 290 | QN□1250.32A |


Neopěvovaný hrdina skladu: Hluboký ponor do technologie ložisek vysokozdvižný...
NABÍZET
Již více než pět desetiletí, od našeho založení v roce 1969, je Jiangsu Wanda...
NABÍZET
Od svého založení v roce 1969 je JiangsuWandaSpecialBearingCo., Ltd (bývalá R...
NABÍZET
Pochopení role bočních válečků vysokozdvižného vozíku Boční válečky vys...
NABÍZET
Pochopení válečkových řetězů kol Válečkové řetězy na kola jso...
NABÍZET