Neopěvovaný hrdina skladu: Hluboký ponor do technologie ložisek vysokozdvižný...
NABÍZET
Skladový kód: 920002
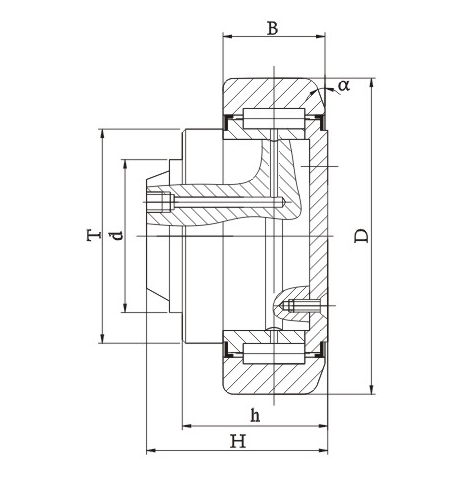
● Způsob instalace ložiska stožáru vysokozdvižného vozíku
Běžně používaný způsob montáže ložisek stožáru je upevnění hřídele pomocí vhodného pojistného kroužku. Slícování mezi ložisky a hřídeli je obecně přechodné a tolerance hřídelů je g6 nebo h6. Axiální směr je omezen standardním pojistným kroužkem hřídele. Kromě toho existují také šroubové fixace ložiska s poloviční dírou, fixace ucpávky hřídele a další metody.
| Ložisko č. | Rozměry (mm) | Základní hodnota zátěže (KN) | Hmotnost | ||||||||
| D | T | d | H | B | A | a° | Cr | Cor | (kg) | ||
| CRC62-1W | 62 | 42 | 30 | 36.5 | 29.5 | 20 | 50 | 20 | 31 | 35.5 | 0.55 |
| CRC62,5-1W | 62.5 | 42 | 30 | 36.5 | 29.5 | 20 | 50 | 20 | 31 | 35 | 0.55 |
| CRC64,8-1W | 64.8 | 42 | 30 | 36.5 | 29.5 | 20 | 50 | 20 | 31 | 35.5 | 0.6 |
| CRC70,1-1W | 70.1 | 48 | 35 | 42 | 34 | 23 | 57 | 20 | 45.5 | 51 | 0.8 |
| CRC73,8-1W | 73.8 | 48 | 35 | 42 | 34 | 23 | 57 | 20 | 45.5 | 51 | 0.9 |
| CRC77,7-2W | 77.7 | 53 | 40 | 45.5 | 34 | 23 | 61 | 20 | 48 | 56.8 | 1.05 |
| CRC81,8-1W | 81.8 | 53 | 40 | 45.5 | 34 | 23 | 61 | 20 | 48 | 56.8 | 1.1 |
| CRC88,4-1W | 88.4 | 59 | 45 | 54 | 41 | 30 | 68 | 20 | 68 | 72 | 1.7 |
| CRC92,8-1W | 92.8 | 59 | 45 | 54 | 41 | 30 | 68 | 20 | 68 | 72 | 1.8 |
| CRC107,7-3W | 107.7 | 71 | 60 | 65.5 | 51.5 | 31 | 82 | 20 | 81 | 95 | 2.9 |
| CRC111,8-1W | 111.8 | 71 | 60 | 65.5 | 51.5 | 31 | 82 | 20 | 81 | 95 | 3.05 |
| CRC123-1W | 123 | 80 | 60 | 67.8 | 51.5 | 37 | 92 | 20 | 110 | 132 | 4 |
| CRC127,8-1W | 127.8 | 80 | 60 | 87.8 | 51.5 | 37 | 92 | 20 | 110 | 132 | 4.35 |
| CRC149-6W | 149 | 103 | 60 | 74 | 54 | 45 | 116 | 15 | 151 | 192 | 6.7 |
| CRC153.8-2W | 153.8 | 103 | 60 | 74 | 54 | 45 | 116 | 15 | 151 | 192 | 7.1 |

Neopěvovaný hrdina skladu: Hluboký ponor do technologie ložisek vysokozdvižný...
NABÍZET
Již více než pět desetiletí, od našeho založení v roce 1969, je Jiangsu Wanda...
NABÍZET
Od svého založení v roce 1969 je JiangsuWandaSpecialBearingCo., Ltd (bývalá R...
NABÍZET
Pochopení role bočních válečků vysokozdvižného vozíku Boční válečky vys...
NABÍZET
Pochopení válečkových řetězů kol Válečkové řetězy na kola jso...
NABÍZET